全国统一服务热线
13812179207
title
您的位置:首页 > 产品中心 > 冲压机器人

冲压机器人

冲压机器人8kg

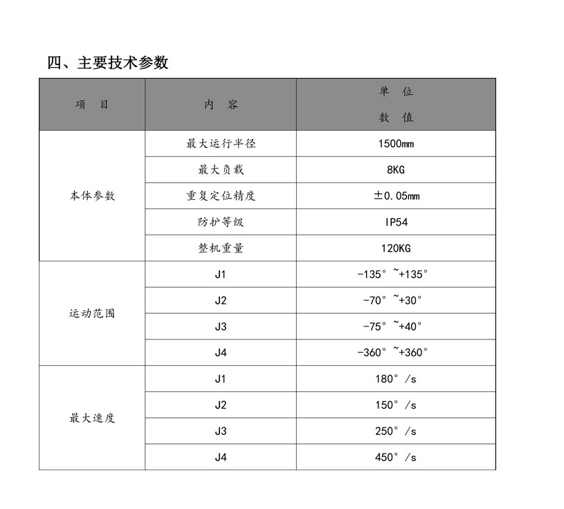
产品概述: BRTIRPZ1508A 采用全伺服电机驱动,响应速度快,精度高。其最大负载为 8KG,最 大臂展可达 1500mm。以紧凑的结构实现大范围动作,运动灵活,精准。 用途:在工业生产中能代替人做某些单调、频繁和重复的长时间作业,或是危险、 恶劣环境下的作业,例如在冲压机、压力铸造、热处理、焊接、涂装、塑料制品成形、 机械加工和简单装配等工序上,以及在原子能工业等部门中,完成对人体有害物料的 搬运或工艺操作等,完美完成上下料工艺。
●高精度、高速度:采用伺服电机搭配高精密减速机,响应速度快,精度高
●高生产率:每天可 24 小时连续生产,生产率高
●提高工作环境:改善工人工作劳动条件,减少员工力度
●企业成本:前期投入,减少人工成本,半年即可收回投入成本
●范围广:五金冲压、灯饰、餐具、家用电器、汽车配件、手机、电脑等行业领域

  • 产品详情
  • 产品参数


    工业机器人是系统集成性产品,本体配合不同的末端执行器可实现冲压自动化生产线、码跺自动化生产线、上下料自动化生产线、注塑自动化生产线、钣金冲压自动化生产线等,公司根据客户需求推荐方案!常州莱柯工业的工业机器人具有高自由度、可自由编程、操作简单上手快、重复定位精度高,具有停电保护功能、成本回收周期短的特点,常州莱柯工业做到客户需求及时响应,整机质保一年,备件供应充足并提供免费的培训服务!

    BRTIRPZ1508A四轴8kg.jpg

上一篇:没有了!

下一篇:冲压码垛机器人25kg