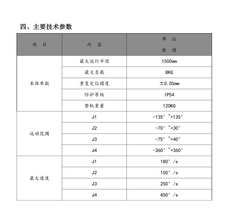
产品概述: 采用全伺服电机驱动,响应速度快,精度高。其最大负载为 8KG,最大臂展可达 1500mm。以紧凑的结构实现大范围动作,运动灵活,精准。
用途:在工业生产中能代替人做某些单调、频繁和重复的长时间作业,或是危险、恶劣环境下的作业,例如在冲压机、压力铸造、热处理、焊接、涂装、塑料制品成形、机械加工和简单装配等工序上,以及在原子能工业等部门中,完成对人体有害物料的搬运或工艺操作等,完美完成上下料工艺。适用于冲床:160 吨及以下
●高精度、高速度:采用伺服电机搭配高精密减速机,响应速度快,精度高
●高生产率:每天可 24 小时连续生产,生产率高
●提高工作环境:改善工人工作劳动条件,减少员工力度
●企业成本:前期投入,减少人工成本,半年即可收回投入成本
●范围广:五金冲压、灯饰、餐具、家用电器、汽车配件、手机、电脑等行业领域
工作条件
1、电源:220V±10% 50HZ±1%
2、使用温度:0℃-40℃
3、最佳环境温度:15℃-25℃
4、相对湿度:20-80%RH(无结露)
5、气源压力:0.5-0.7Mpa









上一篇:码垛机器人(四轴25kg)
下一篇:MR 130莱柯机器人